Products
Category:
WI SERIES COLLECTING PLATE
To Provide Better Pneumatic Products For Automatic Equipment Industry
Product Description
Base Ordering Code

Note:If the bottom plate matches the valve,add the number of seats after the valve model.
For Example:W123-2-4F
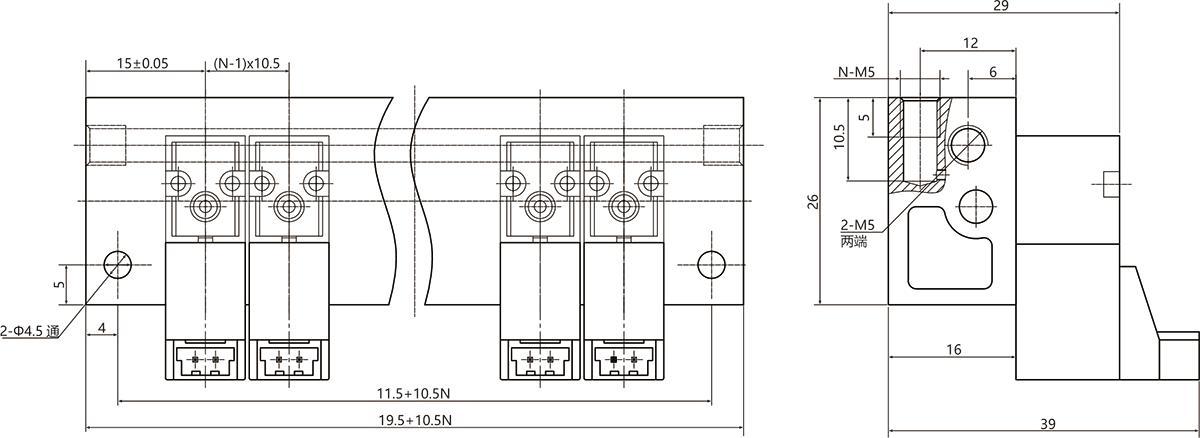
Overall Dimension

Keywords:
Air treatment
Control components
Actuators
Gas control valves
Auxiliary components
Needle Textile Machinery
Micro Solenoid Valves