Products
Category:
WEB SERIES MINI-VALVE
To Provide Better Pneumatic Products For Automatic Equipment Industry
Product Description
Ordering Code
Synopsis
This series of micro valves have many specications,such as conventional,low energy consumption.They have the advantages of good stability large flow rate and long life.They are widely used in the fields of medical,health instruments,mechanical manufacturing,textle and other air control fields.
Specification
| Model | WEB23-1/2 | WEBD23-2 | WEBD23-5 |
| WEB23-314/5 | WEBD23-3 | ||
| Working Medium | 40 Micron Filtered Air | ||
| Operating Temperature | -5~50℃ | ||
| Response time(ms) | ≤10ms/10ms or Less | ||
| Max OperatingFrequency | 20次/秒Cycle/Sec | ||
| Min.OperatingFrequency | Cycle/Day | ||
| Lubrication | Not Lubrication | ||
| Manual Override | Not Lubrication | ||
| Enclosure | Dust-Proof | ||
| Electrical Entry | Vertical Socket Type/Flat Socket Type/Play the Soles of the Type | ||
| Working-Pressure | 0~0.7MPa | ||
| Standard Voltage | DC24V.12V.6V | ||
| Allowable Voltage | ±10% | ||
| Power Consumption | DC24V 2.5W/DC12V 2.7W | WEBD:3.8W/1W | |
| Joint Pipe Bore | Plate Connection Type | ||
Flowing Character

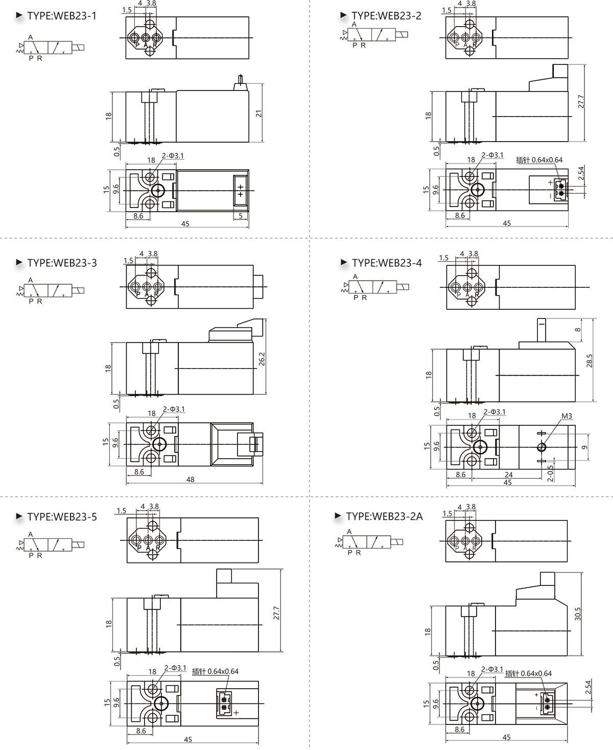
Overall Dimension

Keywords:
Air treatment
Control components
Actuators
Gas control valves
Auxiliary components
Needle Textile Machinery
Micro Solenoid Valves
