Products
Category:
AFR、BFR SERIES FILTER & REGULATOR
To Provide Better Pneumatic Products For Automatic Equipment Industry
Product Description
Ordering Code

GraPhic symbol
Specification
| Model | AFR1500 | AFR2000 | BFR2000 | BFR3000 | BFR4000 | |
| Operating Fluid | Air | |||||
| Joint Pipe Bore | G1/8 | G1/4 | G1/4 | G3/8 | G1/2 | |
| Filtering Eliment Roughness | 40μ | |||||
| Range of Adjustable Pressure | 0.05~0.85MPa | |||||
| Max.Adjustable Pressure | 0.95MPa | |||||
| Ensured Pressure Resistance | 1.5MPa | |||||
| Operating Temperature Range | 5~60℃ | |||||
| Capacity of Filter Cup | 15cc | 60cc | ||||
| Weight | 0.26kg | 0.4kg | ||||
| Material | Body | Aluminum Die-casting Fomring | ||||
| Container Cup | PE | |||||
| Proteclive Cup Cover | 一 | Iron | ||||
Pressure Character
Flowing Character
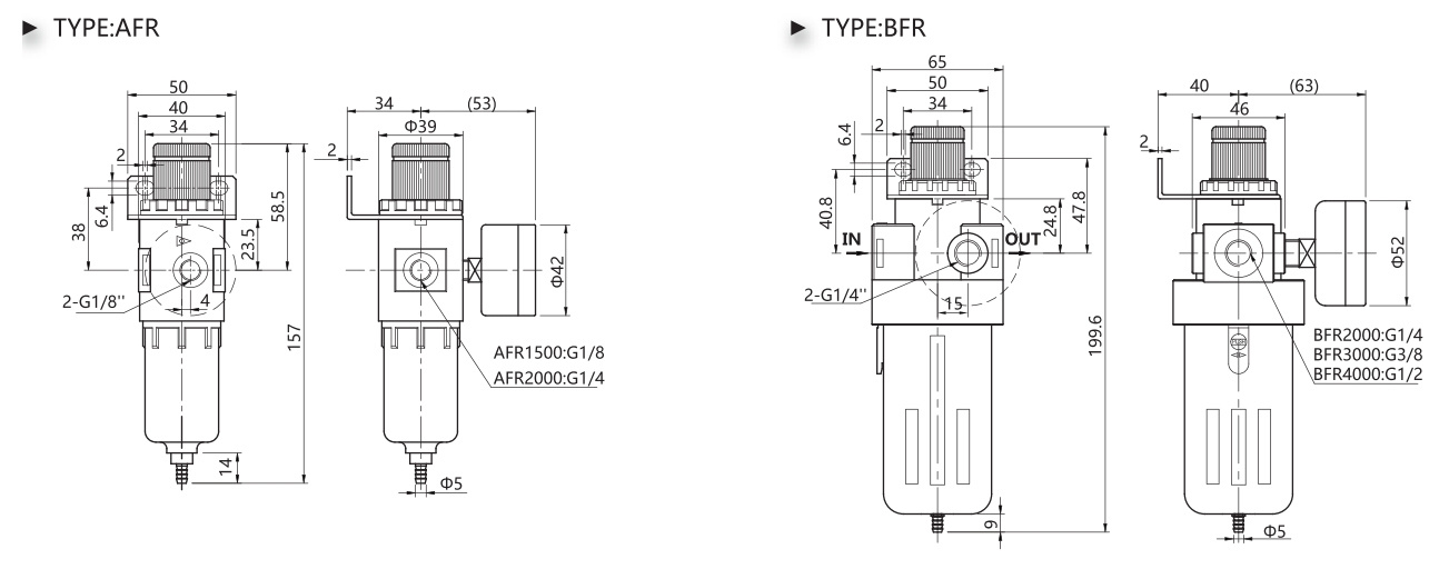
Overall Dimension

Keywords:
Air treatment
Control components
Actuators
Gas control valves
Auxiliary components
Needle Textile Machinery
Micro Solenoid Valves


