Products
Category:
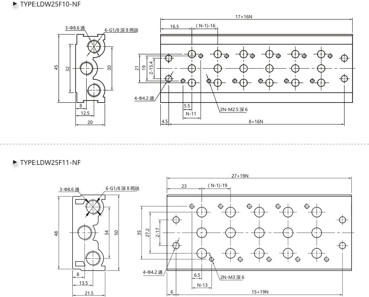
LDW COLLECTING PLATE
To Provide Better Pneumatic Products For Automatic Equipment Industry
Product Description
Ordering Code

Overall Dimension

Keywords:
Air treatment
Control components
Actuators
Gas control valves
Auxiliary components
Needle Textile Machinery
Micro Solenoid Valves