Products
Category:
OR SERIES REGULATOR
To Provide Better Pneumatic Products For Automatic Equipment Industry
Product Description
Ordering Code

GraPhic symbol
Synopsis
The OR maintain imputting constant operating pressure despite fluctuation in line pressure and the amount of air consumed.
Specification
| Model | OR-MINI | OR-MIDI | OR-MAXI | ||||||
| Operating Fluid | Air | ||||||||
| Joint Pipe Bore | G1/8 | G1/4 | G3/8 | G3/8 | G1/2 | G3/4 | G3/4 | G1 | |
| Standard Nominal Flow Rate | OR….-A) | 800 | 1500 | 1700 | 3200 | 3500 | 3500 | 11000 | 11500 |
| OR…-7-(-A) | 1000 | 1600 | 1800 | 3300 | 4000 | 4500 | 12000 | 12500 | |
| Primary Pressure | 0.1~1.6MPa | ||||||||
| Working Pressure | 0.05~1.2MPa/0.05~0.7MPa | ||||||||
| Operating Temperature Range | 0~60℃ | ||||||||
| Material | Housing | Zinc Die-Casting | |||||||
| Adjusting Knob | POM | ||||||||
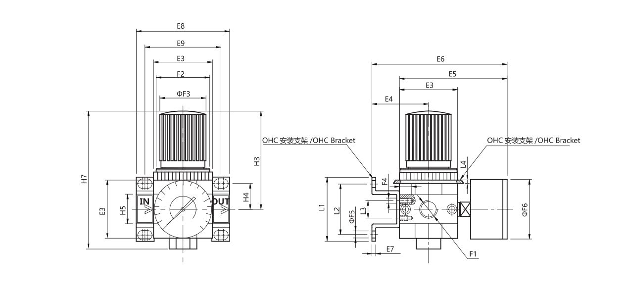
Overall Dimension
| Model | E3 | E4 | E5 | E6 | E8 | E9 | F1 | F2 | F3 | F4 | F5 | F6 | L1 | L2 | L3 | L4 | H3 | H4 | H7 |
| OR-MINI-.. | 40 | 39 | 76 | 95 | 64 | 52 | G1/8G1/4 G3/8 | M36*1.5 | 31 | M4 | 4.5 | 40 | 44 | 35 | 11 | Max.3 | 69 | 17.5 | 96 |
| OR-MIDI-.. | 55 | 47 | 93 | 112 | 85 | 70 | G3/8 G1/2 G3/4 | M52*1.5 | 50 | M5 | 5.5 | 52 | 71 | 60 | 22 | Max.4 | 97 | 24.5 | 96 |
| OR-MAXI-.. | 66 | 53 | 104 | 124 | 96,116 | 8,091 | G3/4G1 | M36*1.5 | 31 | M5 | 5.5 | 63 | 71 | 60 | 22 | Max.5 | 80 | 24.5 | 96 |
Flowing Character
Standard flow rate qn as a function of the output pressure p2

Keywords:
Air treatment
Control components
Actuators
Gas control valves
Auxiliary components
Needle Textile Machinery
Micro Solenoid Valves

