Products
Category:
OFR MICRO SERIES FILTER,REGULATOR
To Provide Better Pneumatic Products For Automatic Equipment Industry
Product Description
Ordering Code

Note:
①There are some differences during overall dimension and standard nominal flow rate aspects between M7S and M7L,the joint pipe bore of both is M7;
②This series of condensate drain are all turned manually.
GraPhic symbol
Specification
| Model | OFR-MICRO-M5 | OFR-MICRO-M7S | OFR-MICRO-M7L | OFR-MICRO-1/8 | |
| Operating Fluid | Air | ||||
| Joint Pipe Bore | M5 | M7 | M7 | 1/8 | |
| Standard Nominal Flow Rate | 120 | 280 | 300 | 410 | |
| Min.Standard Nominal Flow Rate | 3L/min | ||||
| Capacity of Condensate Fluid | 6.5cm | ||||
| Filtering Eliment Roughness | 5μm | ||||
| Primary Pressure | 0~1MPa | ||||
| Range of Adjustable Pressure | 0.05~0.7MPa | ||||
| Operating Temperature Range | 0~60℃ | ||||
| Material | Body | Wrought Aluminium Alloy | |||
| Filter &Oil Bowl | PC | ||||
| Adjusting Knob | POM | ||||
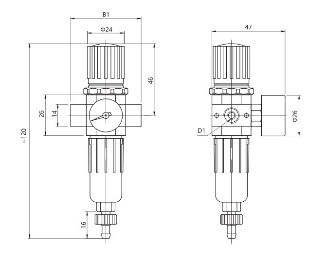
Overall Dimension
Flowing Character
Standard flow rate qn as a function of the output pressure p2

| Model | B1 | D1 |
| OFR-MICRO-M5 | 25 | M5 |
| OFR-MICRO-M7S | 25 | M7 |
| OFR-MICRO-M7L | 45 | M7 |
| OFR-MICRO-1/8 | 45 | 1/8 |
Keywords:
Air treatment
Control components
Actuators
Gas control valves
Auxiliary components
Needle Textile Machinery
Micro Solenoid Valves

