Products
Product Description
Ordering Code

Specification
| Bore(mm) | 16 | 20 | 25 | 32 | 40 |
| Motion Pattern | Double Action | ||||
| Working Medium | Air | ||||
| Fixed Type | Basic Type、FA Type、LB Type、SDB Type | ||||
| OperatingVoltage Range | 1~9Kgf/cm² | ||||
| Ensured Pressure Resistance | 13.5Kgf/cm² | ||||
| OperatngTemperature Range | 0~70℃ | ||||
| Operating Speed Range | 500~800mm/s | ||||
| Buffer Fom | Buffer Spacer | ||||
| Joint Pipe Bore | M5×0.8 | G1/8 | |||
Cylinder Theory Output Sheet
| Cylinder I.D. (mm) | 16 | 20 | 25 | 32 | 40 | |||||||||||
| Motion Pattern | Singl- Eaction |
Double Action | Singl- Eaction |
Double Action | Singl- Eaction |
Double Action | Singl- Eaction |
Double Action | Singl- Eaction |
Double Action | ||||||
| Extrusion Side |
Pull Side |
Extrusion Side |
Pull Side |
Extrusion Side |
Pull Side |
Extrusion Side |
Pull Side |
Extrusion Side |
Pull Side |
|||||||
|
Compression Area(cm²) |
2.01 | 2.01 | 1.81 | 3.14 | 3.14 | 2.64 | 4.9 | 4.9 | 4.12 | 8.04 | 8.04 | 6.9 | 12.56 | 12.56 | 10.55 | |
|
AirPressure (Kgficm²) |
1 | 一 | 2.01 | 1.81 | 一 | 3.14 | 2.64 | 一 | 4.9 | 4.12 | 一 | 8.04 | 6.9 | 一 | 12.56 | 10.55 |
| 2 | 一 | 4.02 | 3.62 | 1.57 | 6.28 | 5.28 | 2.45 | 9.8 | 8.24 | 4.02 | 16.08 | 13.8 | 6.28 | 25.12 | 21.10 | |
| 3 | 2.01 | 6.03 | 5.43 | 4.71 | 9.42 | 7.92 | 7.35 | 14.7 | 12.36 | 12.06 | 24.12 | 20.7 | 18.84 | 37.68 | 31.65 | |
| 4 | 4.02 | 8.04 | 7.24 | 7.85 | 12.56 | 10.56 | 12.25 | 19.6 | 16.48 | 20.10 | 32.16 | 27.6 | 31.40 | 50.24 | 42.20 | |
| 5 | 6.03 | 10.05 | 9.05 | 10.99 | 15.70 | 13.20 | 17.15 | 24.5 | 20.60 | 28.14 | 40.20 | 34.5 | 43.96 | 62.80 | 52.75 | |
| 6 | 8.04 | 12.06 | 10.86 | 14.13 | 18.84 | 15.84 | 22.05 | 29.4 | 24.72 | 36.18 | 48.24 | 41.4 | 56.52 | 75.36 | 63.30 | |
| 7 | 10.04 | 14.07 | 12.67 | 17.27 | 21.98 | 18.48 | 26.95 | 34.3 | 28.84 | 44.22 | 56.28 | 48.3 | 69.08 | 87.92 | 73.85 | |
| 8 | 一 | 一 | 一 | 20.41 | 25.12 | 21.12 | 31.85 | 39.2 | 32.96 | 52.26 | 64.32 | 55.2 | 81.64 | 100.48 | 84.40 | |
| 9 | 一 | 一 | 一 | 23.55 | 28.26 | 23.76 | 36.75 | 44.1 | 37.08 | 60.30 | 72.36 | 62.1 | 94.20 | 113.04 | 94.95 | |
Stroke
| Bore(mm) | Standard Stroke | Max.Stroke | Permissible Stroke | |||||||||||||
| 16 | 25 | 50 | 75 | 100 | 125 | 150 | 175 | 200 | 300 | 500 | ||||||
| 20 | 25 | 50 | 75 | 100 | 125 | 150 | 175 | 200 | 250 | 300 | 500 | 650 | ||||
| 25 | 25 | 50 | 75 | 100 | 125 | 150 | 175 | 200 | 250 | 300 | 350 | 400 | 450 | 500 | 500 | 650 |
| 32 | 25 | 50 | 75 | 100 | 125 | 150 | 175 | 200 | 250 | 300 | 350 | 400 | 450 | 500 | 500 | 650 |
| 40 | 25 | 50 | 75 | 100 | 125 | 150 | 175 | 200 | 250 | 300 | 350 | 400 | 450 | 500 | 500 | 650 |
Please contact with our company if your cylider stroke is special.
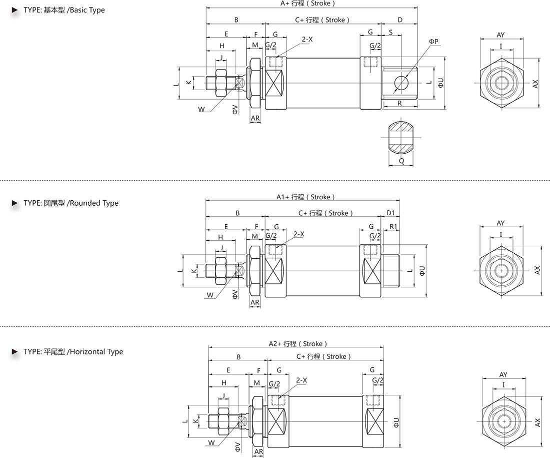
Overall Dimension
TYPE:MA Double Action

Dimension Sheet
| Symbol/Bore(mm) | A | A1 | A2 | B | C | D | D1 | E | F | G | H | I | J | K |
| 16 | 114 | 108 | 98 | 38 | 60 | 16 | 10 | 22 | 16 | 10 | 16 | 10 | 5 | M6 |
| 20 | 131 | 124 | 110 | 40 | 70 | 21 | 14 | 28 | 12 | 16 | 20 | 12 | 6 | M8 |
| 25 | 135 | 128 | 114 | 44 | 70 | 21 | 14 | 30 | 14 | 16 | 22 | 17 | 6 | M10×1.25 |
| 32 | 141 | 128 | 114 | 44 | 70 | 27 | 14 | 30 | 14 | 16 | 22 | 17 | 6 | M10×1.25 |
| 40 | 163 | 150 | 136 | 46 | 90 | 27 | 14 | 32 | 14 | 22 | 24 | 17 | 7 | M12×1.25 |
| Symbol/Bore(mm) | L | M | P | Q | R | R1 | S | U | V | W | X | AR | AX | AY |
| 16 | M16x1.5 | 14 | 6 | 12 | 14 | 9 | 9 | 23 | 6 | 5 | M5 | 6 | 25 | 22 |
| 20 | M22x1.5 | 10 | 8 | 16 | 19 | 12 | 12 | 30 | 8 | 6 | G1/8 | 7 | 33 | 29 |
| 25 | M22×1.5 | 12 | 8 | 16 | 19 | 12 | 12 | 34 | 10 | 8 | G1/8 | 7 | 33 | 29 |
| 32 | M24×2 | 12 | 10 | 16 | 25 | 12 | 15 | 39 | 12 | 10 | G1/8 | 8 | 37 | 32 |
| 40 | M30×2 | 12 | 12 | 20 | 25 | 12 | 15 | 49 | 16 | 14 | G1/4 | 9 | 47 | 41 |
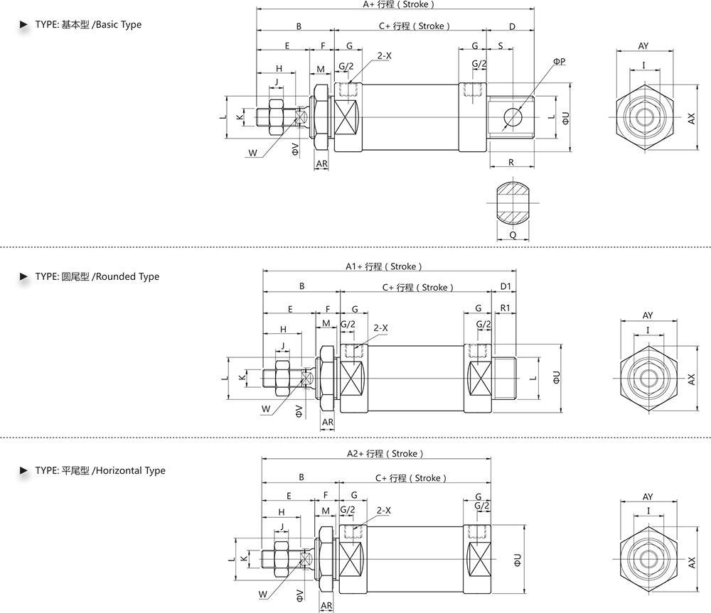
Overall Dimension
TYPE:MA Single Action

Dimension Sheet
| Symbol/Bore(mm) | A | A1 | A1 | B | C | D | D1 | E | F | G | H | I | J | ||||
| 0-50 | 51-100 | 0-50 | 51-100 | 0-50 | 51-100 | 0-50 | 51-100 | ||||||||||
| 20 | 131 | 156 | 124 | 147 | 110 | 135 | 40 | 70 | 95 | 21 | 14 | 28 | 12 | 16 | 20 | 12 | 6 |
| 25 | 135 | 160 | 128 | 153 | 114 | 139 | 44 | 70 | 95 | 21 | 14 | 30 | 14 | 16 | 22 | 17 | 6 |
| 32 | 141 | 166 | 128 | 153 | 114 | 139 | 44 | 70 | 95 | 27 | 14 | 30 | 14 | 16 | 22 | 17 | 6 |
| 40 | 165 | 190 | 152 | 177 | 138 | 163 | 46 | 92 | 117 | 27 | 14 | 32 | 14 | 22 | 24 | 17 | 7 |
| Symbol/Bore(mm) | K | L | M | P | Q | R | R1 | S | U | V | W | X | AR | AX | AY |
| 20 | M8 | M22x1.5 | 10 | 8 | 16 | 19 | 12 | 12 | 30 | 8 | 6 | G1/8 | 7 | 33 | 29 |
| 25 | M10×1.25 | M22×1.5 | 12 | 8 | 16 | 19 | 12 | 12 | 34 | 10 | 8 | G1/8 | 7 | 33 | 29 |
| 32 | M10×1.25 | M24×2 | 12 | 10 | 16 | 25 | 12 | 15 | 39 | 12 | 10 | G1/8 | 8 | 37 | 32 |
| 40 | M10×1.25 | M30×2 | 12 | 12 | 20 | 25 | 12 | 15 | 49 | 16 | 14 | G1/4 | 9 | 47 | 41 |
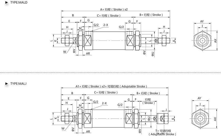
Overall Dimension
TYPE:MAL Double-shaft

Dimension Sheet
| Bore(mm) | A | A1 | B | C | E | F | G | H | I | J | K | L | M | T | U | V | W | X | AR | AX | AY |
| 20 | 150 | 147 | 40 | 70 | 28 | 12 | 16 | 20 | 12 | 6 | M8 | M22×1.5 | 10 | 19 | 30 | 8 | 6 | G1/8 | 7 | 33 | 29 |
| 25 | 158 | 155 | 44 | 70 | 30 | 14 | 16 | 22 | 17 | 6 | M10×1.25 | M22×1.5 | 12 | 21 | 34 | 10 | 8 | G1/8 | 7 | 33 | 29 |
| 32 | 158 | 155 | 44 | 70 | 30 | 14 | 16 | 22 | 17 | 6 | M10×1.25 | M24×2.0 | 12 | 21 | 39 | 12 | 10 | G1/8 | 8 | 37 | 32 |
| 40 | 182 | 180 | 46 | 90 | 32 | 14 | 22 | 24 | 17 | 7 | M12×1.25 | M30×2.0 | 12 | 21 | 49 | 16 | 14 | G1/4 | 9 | 47 | 41 |
Keywords:
Air treatment
Control components
Actuators
Gas control valves
Auxiliary components
Needle Textile Machinery
Micro Solenoid Valves