Products
Product Description
Ordering Code

Specification
| Bore(mm) | 32 | 40 | 50 | 63 | 80 | 100 | 125 | 160 | 200 |
| Motion Pattern | Double Action | ||||||||
| Working Medium | Air | ||||||||
| Fixed Type | Basic Type. FA Type. FB Type. CA Type. CB Type. CR Type. LB Type.TC Type. TC-M Type | ||||||||
| OperatingVoltage Range | 1~9Kgf/cm² | ||||||||
| Ensured Pressure Resistance | 13.5Kgf/cm² | ||||||||
| Operating Temperature Range | 0~70℃ | ||||||||
| Operating Speed Range | 500~800mm/s | ||||||||
| Buffr Fom | Adjustable Buffer | ||||||||
| Buffer Travel | 24 | 32 | |||||||
| Joint Pipe Bore | G1/8 | G1/4 | G3/8 | G1/2 | G3/4 | ||||
LSID、LSIJ Fixed Type:FA.FB.LB.TC.TC-M.
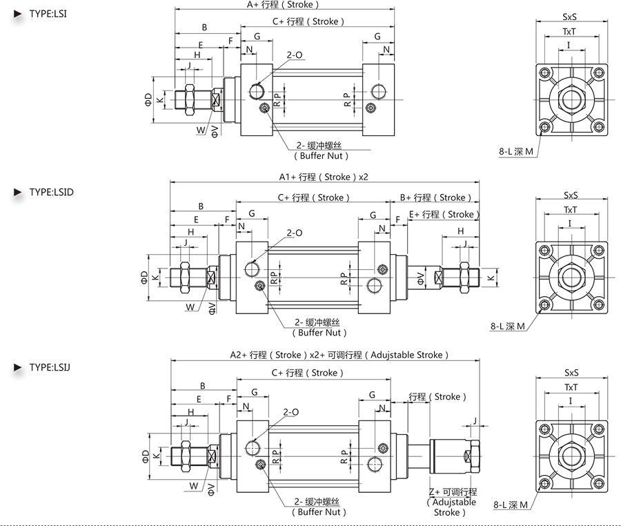
Overall Dimension

Dimension Sheet
| Symbol/Bore(mm) | A | A1 | A2 | B | C | D | E | F | G | H | I | J | K | L |
| 32 | 142 | 190 | 187 | 48 | 94 | 30 | 33 | 15 | 26 | 19.5 | 17 | 6 | M10x1.25 | M6 |
| 40 | 159 | 213 | 207 | 54 | 105 | 35 | 37 | 17 | 26 | 21 | 17 | 7 | M12×1.25 | M6 |
| 50 | 175 | 244 | 233 | 69 | 106 | 40 | 45 | 24 | 29.5 | 29 | 23 | 8 | M16x1.5 | M8 |
| 63 | 190 | 259 | 250 | 69 | 121 | 45 | 45 | 24 | 29.5 | 29 | 23 | 8 | M16x1.5 | M8 |
| 80 | 214 | 300 | 286 | 86 | 128 | 45 | 56 | 30 | 35 | 40 | 30 | 10 | M20×1.5 | M10 |
| 100 | 229 | 320 | 308 | 91 | 138 | 55 | 59 | 32 | 35 | 40 | 30 | 10 | M20×1.5 | M10 |
| 125 | 279 | 398 | 372.5 | 119 | 160 | 60 | 74 | 45 | 46 | 54 | 41 | 13.5 | M27×2 | M12 |
| 160 | 332 | 484 | 448 | 152 | 180 | 65 | 94 | 58 | 50 | 72 | 55 | 18 | M36×2 | M16 |
| 200 | 347 | 514 | 472 | 167 | 180 | 75 | 107 | 60 | 50 | 72 | 55 | 18 | M36×2 | M16 |
| Symbol/Bore(mm) | M | 0 | P | R | S | T | V | w | Z |
| 32 | 13 | G1/8 | 4 | 6.5 | 46 | 32.5 | 12 | 10 | 21 |
| 40 | 14 | G1/4 | 4 | 9 | 52 | 38 | 16 | 14 | 21 |
| 50 | 15.5 | G1/4 | 5 | 10.5 | 65 | 46.5 | 20 | 17 | 23 |
| 63 | 16.5 | G3/8 | 9 | 12 | 75 | 56.5 | 20 | 17 | 23 |
| 80 | 19 | G3/8 | 11.5 | 14 | 95 | 72 | 25 | 22 | 29 |
| 100 | 19 | G1/2 | 17 | 15 | 114 | 89 | 25 | 22 | 29 |
| 125 | 23 | G1/2 | 14 | 14 | 140 | 110 | 32 | 27 | 35 |
| 160 | 25 | G3/4 | 15 | 20 | 180 | 140 | 40 | 36 | 40 |
| 200 | 25 | G3/4 | 15 | 20 | 220 | 175 | 40 | 36 | 40 |
Keywords:
Air treatment
Control components
Actuators
Gas control valves
Auxiliary components
Needle Textile Machinery
Micro Solenoid Valves