Products
Product Description
Ordering Code

Specification
| Bore(mm) | 12 | 16 | 20 | 25 | 32 | 40 | 50 | 63 | 80 | 100 | |
| Motion Pattern | Double Action | ||||||||||
| Single Action Extrusion Type or Single Drawing-in Type | 一 | ||||||||||
| Working Medium | Air | ||||||||||
| OperatingVoltage Range | Double Action | 1~10Kgf/cm² | |||||||||
| Single Action | 1~9Kgf/cm² | ||||||||||
| Ensured Pressure Resistance | 13.5Kgf/cm² | ||||||||||
| Operating Temperature Range | 0~70℃ | ||||||||||
| Operating Speed Range | Double Action | 30~500mm/s | 30~350mm/s | 30~250mm/s | |||||||
| Single Action | 100~500mm/s | ||||||||||
| Joint Pipe Bore | M5×0.8 | G1/8 | G1/4 | G3/8 | |||||||
Stroke
| Bore(mm) | 12 | 16 | 20 | 25 | 32 | 40 | 50 | 63 | 80 | 100 | ||
| Double- Action |
Not Attach Mangnet | 5~60mm Every 5mm Is Grouped As One Grade |
5~85mm Every 5mm Is Grouped As One Grade |
5~90mm Every 5mm Is Grouped As One Grade |
100~110mm Every 5mm ls Grouped As One Grade |
5~90mm Every 5mm Is Grouped As One Grade |
100~130mm Every 5mm Is Grouped As One Grade |
|||||
| Attach Mangnet |
5~50mm |
5~75mm |
5~90mm Every 5mm Is Grouped As One Grade |
100mm | 5~90mm Every 5mm Is Grouped As One Grade |
100~120mm Every 5mm Is Grouped As One Grade |
||||||
| Single Action |
Not Attach Mangnet | 5~30mm Every 5mm Is Grouped As One Grade |
一 | |||||||||
| Attach Mangnet | 5~30mm Every 5mm Is Grouped As One Grade |
一 | ||||||||||
| Max.Stroke | 60mm | 100mm | 120mm | 130mm | ||||||||
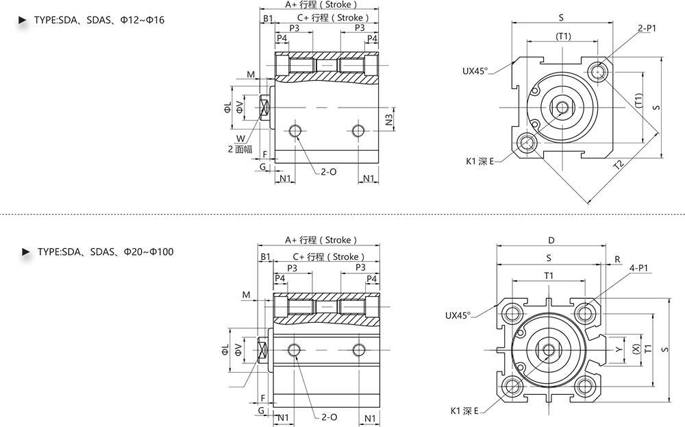
Overall Dimension

Dimension Sheet
| Type | Standard Type | Magnetized Type | D | E | F | G | K1 | L | M | N1 | N3 | |||||
| Bore(mm) | A | B1 | C | A | B1 | C | ||||||||||
| Stroke=10 | Stroke>10 | |||||||||||||||
| 12 | 22 | 5 | 17 | 32 | 5 | 27 | 一 | 6 | 4 | 1 | M3 | 10.2 | 2.8 | 6.3 | 6 | |
| 16 | 24 | 5.5 | 18.5 | 34 | 5.5 | 28.5 | 一 | 6 | 4 | 1.5 | M3 | 11 | 2.8 | 7.3 | 6.5 | |
| 20 | 25 | 5.5 | 19.5 | 35 | 5.5 | 29.5 | 36 | 8 | 4 | 1.5 | M4 | 15 | 2.8 | 7.5 | 一 | |
| 25 | 27 | 6 | 21 | 37 | 6 | 31 | 42 | 10 | 4 | 2 | M5 | 17 | 2.8 | 8 | 一 | |
| 32 | 31.5 | 7 | 24.5 | 41.5 | 7 | 34.5 | 50 | 12 | 4 | 3 | M6 | 22 | 2.8 | 9 | 一 | |
| 40 | 33 | 7 | 26 | 43 | 7 | 36 | 58.5 | 12 | 4 | 3 | M8 | 28 | 2.8 | 10 | 一 | |
| 50 | 37 | 9 | 28 | 47 | 9 | 38 | 71.5 | 15 | 5 | 4 | M10 | 38 | 2.8 | 10.5 | 一 | |
| 63 | 41 | 9 | 32 | 51 | 9 | 42 | 84.5 | 15 | 5 | 4 | M10 | 40 | 2.8 | 11.8 | 一 | |
| 80 | 52 | 11 | 41 | 62 | 11 | 51 | 104 | 15 | 20 | 6 | 5 | M14×1.5 | 45 | 4 | 14.5 | 一 |
| 100 | 63 | 12 | 51 | 73 | 12 | 61 | 124 | 18 | 20 | 7 | 5 | M18×1.5 | 55 | 4 | 20.5 | 一 |
| Bore(mm) | O | P1 | P3 | P4 | R | S | T1 | T2 | U | V | W | X | Y | ||
| Double Side | Cog | Through Hole | |||||||||||||
| 12 | M5×0.8 | φ6.5 | M5 | φ4.2 | 12 | 4.5 | 一 | 25 | 16.2 | 23 | 1.6 | 6 | 5 | 一 | 一 |
| 16 | M5×0.8 | φ6.5 | M5 | φ4.2 | 12 | 4.5 | 一 | 29 | 19.8 | 28 | 1.6 | 6 | 5 | 一 | 一 |
| 20 | M5×0.8 | φ6.5 | M5 | φ4.2 | 14 | 4.5 | 2 | 34 | 24 | 一 | 2.1 | 8 | 6 | 11.3 | 10 |
| 25 | M5×0.8 | φ8.2 | M6 | φ4.6 | 15 | 5.5 | 2 | 40 | 28 | 一 | 2.1 | 10 | 8 | 12 | 10 |
| 32 | G1/8 | φ8.2 | M6 | φ4.6 | 16 | 5.5 | 6 | 44 | 34 | 一 | 2.2 | 12 | 10 | 18.3 | 15 |
| 40 | G1/8 | φ10 | M8 | φ6.5 | 20 | 7.5 | 6.5 | 52 | 40 | 一 | 2.3 | 16 | 14 | 21.3 | 16 |
| 50 | G1/4 | φ11 | M8 | φ6.5 | 25 | 8.5 | 9.5 | 62 | 48 | 一 | 3.2 | 20 | 17 | 30 | 20 |
| 63 | G1/4 | φ11 | M8 | φ6.5 | 25 | 8.5 | 9.5 | 75 | 60 | 一 | 3.2 | 20 | 17 | 28.7 | 20 |
| 80 | G3/8 | φ14 | M12 | φ9.2 | 25 | 10.5 | 10 | 94 | 74 | 一 | 3.7 | 25 | 22 | 36 | 26 |
| 100 | G3/8 | φ 1 7 . 5 | M14 | φ11.3 | 30 | 13 | 10 | 114 | 90 | 一 | 3.7 | 32 | 27 | 35 | 26 |
Overall Dimension

Dimension Sheet
| Type | Standard Type | Magnetized Type | zed Type | D | E | F | G | K1 | L | M | N1 | N3 | ||||||||
| Bore(mm) | A | B1 | C | A | B1 | C | ||||||||||||||
| ≤10 | >10 | ≤10 | >10 | ≤10 | >10 | ≤10 | >10 | |||||||||||||
| 12 | 32 | 42 | 5 | 27 | 37 | 42 | 52 | 5 | 37 | 47 | 一 | 6 | 4 | 1 | M3 | 10.2 | 2.8 | 6.3 | 6 | |
| 16 | 34 | 44 | 5.5 | 28.5 | 38.5 | 44 | 54 | 5.5 | 38.5 | 48.5 | 一 | 6 | 4 | 1.5 | M3 | 11 | 2.8 | 7.3 | 6.5 | |
| 20 | 35 | 45 | 5.5 | 29.5 | 39.5 | 45 | 55 | 5.5 | 39.5 | 49.5 | 36 | 8 | 4 | 1.5 | M4 | 15 | 2.8 | 7.5 | 一 | |
| 25 | 37 | 47 | 6 | 31 | 41 | 47 | 57 | 6 | 41 | 51 | 42 | 10 | 4 | 2 | M5 | 17 | 2.8 | 8 | 一 | |
| 32 | 41.5 | 51.5 | 7 | 34.5 | 44.5 | 51.5 | 61.5 | 7 | 44.5 | 54.5 | 50 | 12 | 4 | 3 | M6 | 22 | 2.8 | 9 | 一 | |
| 40 | 43 | 53 | 7 | 36 | 46 | 53 | 63 | 7 | 46 | 56 | 58.5 | 12 | 4 | 3 | M8 | 28 | 2.8 | 10 | 一 | |
| Bore(mm) | O | P1 | P3 | P4 | R | S | T1 | T2 | U | V | W | X | Y | ||
| Double Side | Cog | Through Hole | |||||||||||||
| 12 | M5 | φ6.5 | M5 | φ4.2 | 12 | 4.5 | 一 | 25 | 16.2 | 23 | 1.6 | 6 | 5 | 一 | 一 |
| 16 | M5 | φ6.5 | M5 | φ4.2 | 12 | 4.5 | 一 | 29 | 19.8 | 28 | 1.6 | 6 | 5 | 一 | 一 |
| 20 | M5 | φ6.5 | M5 | φ4.2 | 14 | 4.5 | 2 | 34 | 24 | 一 | 2.1 | 8 | 6 | 11.3 | 10 |
| 25 | M5 | φ8.2 | M6 | φ4.6 | 15 | 5.5 | 2 | 40 | 28 | 一 | 2.1 | 10 | 8 | 12 | 10 |
| 32 | G1/8 | φ8.2 | M6 | φ4.6 | 16 | 5.5 | 6 | 44 | 34 | 一 | 2.2 | 12 | 10 | 18.3 | 15 |
| 40 | G1/8 | φ10 | M8 | φ6.5 | 20 | 7.5 | 6.5 | 52 | 40 | 一 | 2.3 | 16 | 14 | 21.3 | 16 |
Overall Dimension

Dimension Sheet
| Type | Standard Type | D | E | F | G | J | K1 | L | M | N1 | ||||||||
| Bore(mm) | A | A1 | B1 | C | A | A1 | B1 | C | ||||||||||
| Stroke=10 | Stroke>10 | |||||||||||||||||
| 12 | 27 | 40 | 5 | 17 | 37 | 50 | 5 | 27 | 一 | 6 | 4 | 1 | 4 | M3 | 10.2 | 2.8 | 6.3 | |
| 16 | 29.5 | 42.5 | 5.5 | 18.5 | 39.5 | 52.5 | 5.5 | 28.5 | 一 | 6 | 4 | 1.5 | 4 | M3 | 11 | 2.8 | 7.3 | |
| 20 | 30.5 | 47.5 | 5.5 | 19.5 | 40.5 | 57.5 | 5.5 | 29.5 | 36 | 8(Stroke=5、E=5.5) | 4 | 1.5 | 5 | M4 | 15 | 2.8 | 7.5 | |
| 25 | 33 | 55 | 6 | 21 | 43 | 65 | 6 | 31 | 42 | 10(Stroke=5、E=7) | 4 | 2 | 6 | M5 | 17 | 2.8 | 8 | |
| 32 | 38.5 | 61.5 | 7 | 24.5 | 48.5 | 71.5 | 7 | 34.5 | 50 | 8 | 12 | 4 | 3 | 6 | M6 | 22 | 2.8 | 9 |
| 40 | 40 | 65 | 7 | 26 | 50 | 75 | 7 | 36 | 58.5 | 9 | 12 | 4 | 3 | 8 | M8 | 28 | 2.8 | 10 |
| 50 | 46 | 73 | 9 | 28 | 56 | 83 | 9 | 38 | 71.5 | 11 | 15 | 5 | 4 | 11 | M10 | 38 | 2.8 | 10.5 |
| 63 | 50 | 77 | 9 | 32 | 60 | 87 | 9 | 42 | 84.5 | 11 | 15 | 5 | 4 | 11 | M10 | 40 | 2.8 | 11.8 |
| 80 | 63 | 94 | 11 | 41 | 73 | 104 | 11 | 51 | 104 | 14 | 20 | 6 | 5 | 13 | M14×1.5 | 45 | 4 | 14.5 |
| 100 | 75 | 105 | 12 | 51 | 85 | 115 | 12 | 61 | 124 | 18 | 20 | 7 | 5 | 13 | M18×1.5 | 55 | 4 | 20.5 |
| Bore(mm) | N3 | O | P1 | P3 |
P4 | Q | R | S | T1 | T2 | U | V | W | X | Y | ||
| Double Side | Cog | Throush Hole | |||||||||||||||
| 12 | 6 | M5 | φ6.5 | M5 | φ4.2 | 12 | 4.5 | 13 | 一 | 25 | 16.2 | 23 | 1.6 | 6 | 5 | 一 | 一 |
| 16 | 6.5 | M5 | φ6.5 | M5 | φ4.2 | 12 | 4.5 | 13 | 一 | 29 | 19.8 | 28 | 1.6 | 6 | 5 | 一 | 一 |
| 20 | 一 | M5 | φ6.5 | M5 | φ4.2 | 14 | 4.5 | 16 | 2 | 34 | 24 | 一 | 2.1 | 8 | 6 | 11.3 | 10 |
| 25 | 一 | M5 | φ8.2 | M6 | φ4.6 | 15 | 5.5 | 19 | 2 | 40 | 28 | 一 | 3.1 | 10 | 8 | 12 | 10 |
| 32 | 一 | G1/8 | φ8.2 | M6 | φ4.6 | 16 | 5.5 | 21 | 6 | 44 | 34 | 一 | 2.2 | 12 | 10 | 18.3 | 15 |
| 40 | 一 | G1/8 | φ10 | M8 | φ6.5 | 20 | 7.5 | 21 | 6.5 | 52 | 40 | 一 | 2.3 | 16 | 14 | 21.3 | 16 |
| 50 | 一 | G1/4 | φ11 | M8 | φ6.5 | 25 | 8.5 | 21 | 9.5 | 62 | 48 | 一 | 3.2 | 20 | 17 | 30 | 20 |
| 63 | 一 | G1/4 | φ11 | M8 | φ6.5 | 25 | 8.5 | 21 | 9.5 | 75 | 60 | 一 | 3.2 | 20 | 17 | 28.7 | 20 |
| 80 | 一 | G3/8 | φ14 | M12 | φ9.2 | 25 | 10.5 | 24 | 10 | 94 | 74 | 一 | 3.7 | 25 | 22 | 36 | 26 |
| 100 | 一 | G3/8 | φ17.5 | M14 | φ11.3 | 30 | 13 | 24 | 10 | 114 | 90 | 一 | 3.7 | 32 | 27 | 35 | 26 |
Overall Dimension

Dimension Sheet
| Bore(mm) | B2 | E | F | G | H | I | J | K2 | L | M | V | w |
| 12 | 17 | 16 | 4 | 1 | 10 | 8 | 4 | M5 | 10.2 | 2.8 | 6 | 5 |
| 16 | 17.5 | 16 | 4 | 1.5 | 10 | 8 | 4 | M5 | 11 | 2.8 | 6 | 5 |
| 20 | 20.5 | 19 | 4 | 1.5 | 13 | 10 | 5 | M6 | 15 | 2.8 | 8 | 6 |
| 25 | 23 | 21 | 4 | 2 | 15 | 12 | 6 | M8 | 17 | 2.8 | 10 | 8 |
| 32 | 25 | 22 | 4 | 3 | 15 | 17 | 6 | M10×1.25 | 22 | 2.8 | 12 | 10 |
| 40 | 35 | 32 | 4 | 3 | 25 | 19 | 8 | M14×1.5 | 28 | 2.8 | 16 | 14 |
| 50 | 37 | 33 | 5 | 4 | 25 | 27 | 11 | M18×1.5 | 38 | 2.8 | 20 | 17 |
| 63 | 37 | 33 | 5 | 4 | 25 | 27 | 11 | M18×1.5 | 40 | 2.8 | 20 | 17 |
| 80 | 44 | 39 | 6 | 5 | 30 | 32 | 13 | M22×1.5 | 45 | 4 | 25 | 22 |
| 100 | 50 | 45 | 7 | 5 | 35 | 36 | 13 | M26x1.5 | 55 | 4 | 32 | 27 |
Keywords:
Air treatment
Control components
Actuators
Gas control valves
Auxiliary components
Needle Textile Machinery
Micro Solenoid Valves